²úÆ·ÖÐÐÄProduct Navigation
ÈÈÃŲúÆ·Hot products
½â¾ö¼Æ»®Solution
ÁªÏµ·½·¨Contact information
Ê×Ò³ > ²úÆ·ÖÐÐÄ > ¹âѧ²úƷϵÁÐ > ÈȳÉÏñ¾µÍ·
²úÆ·¸ÅÊö£º
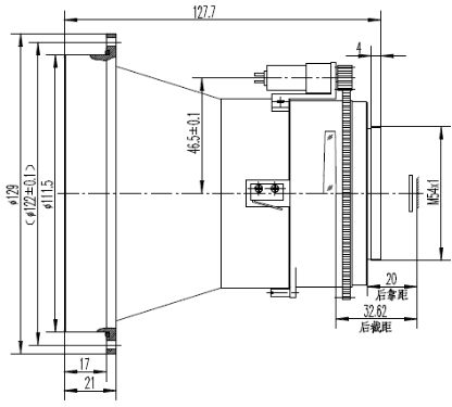
Ãû³Æ£º100mmÈȳÉÏñ¾µÍ·
ÐͺţºHRC-TL100
²úÆ·³ß´çͼ£º

|
¹âѧϵͳ²ÎÊý±í |
|
|
½¹¾à£¨f¡®£© |
100 |
|
¹âȦ£¨F£© |
1.0 |
|
ˮƽÊÓ³¡½Ç |
5.5¡ã |
|
±ÊÖ±ÊÓ³¡½Ç |
4.1¡ã |
|
È«ÊÓ³¡½Ç |
6.9¡ã |
|
ÊÂÇ鲨¶Î |
8~12um |
|
µ÷½¹¾àÀë |
¡Þ~5Ã× |
|
µçµ÷½¹ |
Ö§³Ö |
|
̽²âÆ÷ÀàÐÍ |
384*288£¨¡õ25um£© |
|
ÏñÃæ³ß´ç |
9.6*7.2£¨¦µ12£© |
Ïà¹Ø²úÆ·
New products
Ïàʶ¸ü¶à>